通风设备产业网

首页
供应
招标
求购
企业库
资讯
展会
人才
当前位置: 首页>产品>通风机>斜流式通风机>斜流风机
手机
浏览
斜流风机
价格:3000.00元/件
物流:
品牌:茂宏通风
更新日期:2016-12-08
产品详细说明
    斜流风机:
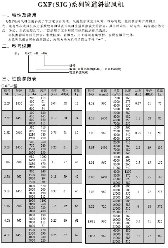
    性能选择
1. 风机的性能按性能表上查阅,表中列出的性能是*高效率范围内的性能,按流量分为六个性能点,选用时按性能表为准。
2. 风机出厂的合格品性能是在额定流量时全压值不超过±5%。
3. 性能选用表中是按标准状态下风机性能,无论技术文件或订货要求的性能均按标准状态为准,标准状态大气压B=101325Pa,大气温度t=20oC,相对湿度φ=50%度时的空气状态,当实际使用条件与上述不符合时按有关公式进行换算。
4. 风机安装方式可分为立式和卧式,如立式安装须在订货时注明,如有在流量,压力等性能参数上特殊要求,我厂将为您另行设计生产。
安装使用
1. 风机安装时应对各部件进行全面检查,机件是否完整,各部件联接是否紧固[1] 。
2. 风机安装时应注意保持风机的水平位置,对风机与地基的结合面和出风管道的联接等,应调整使之自然,吻合不得有强行联接,不允许将管道重量加在风机的部件上,并应检查风机内部是否有掉入遗留工具和其它物件。
3. 风机安装后必须拨动叶轮检查,是否有叶轮碰擦机壳现象,如发现不妥,必须调整好,风机在露天使用应有防雨措施。
4. 风机试验运转应在总体检查合格后进行,为了防止电机过载,在风机启动前将流量调节阀关闭,使启动时无载荷状态,然后逐渐将阀门打开,作满载荷或设计工况点运行。
5. 风机在运转时如发现有剧烈振动、撞击等反常现象,必须立即停车检查。
6. 如发现工况点偏移而引起电机负荷过载,为防止电机过载可将流量调节阀关小使电机在额定电流之内。
7. 按期清除风机内部积灰污垢等杂质,并防止锈蚀。

公司基本资料信息

德州茂宏通风设备有限公司

您可能感兴趣的产品